實用的電力線防盜割報警電路制作
在山區和農村,由于輸電線路長.翻山跨谷,涉水過河,常會發生低壓電力線被不法分子剪割現象,加之環境、氣候條件(如大風、冰凍等)惡劣,也會發生輸電線斷相及停電事故。本文介紹的報警電路.可在電力線斷相或被盜時發出報警。它有現場聲光報警和無線報警兩種選擇,亦可同時進行兩種報警。電路簡單、實用性好,采用普通元器件,容易制作。
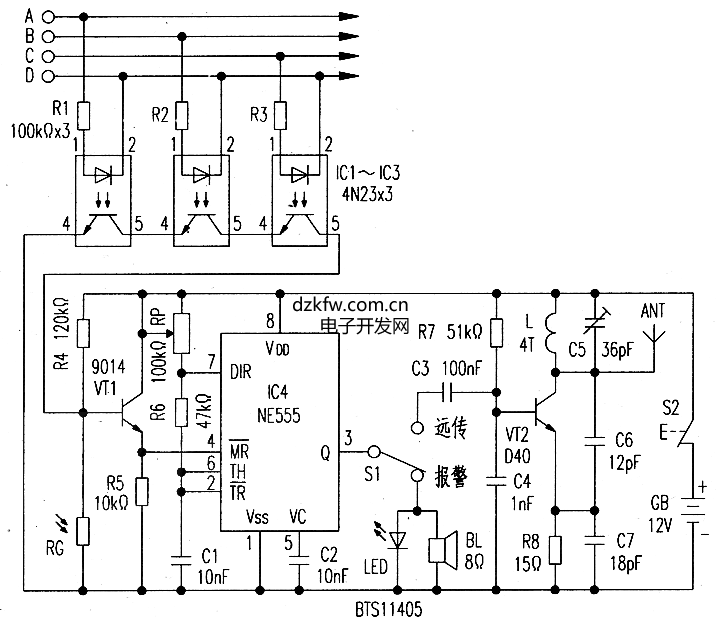
電路原理如圖1所示。Rl~R3和光耦合器IC1~IC3(4N23)作隔離取樣。光敏電阻RG的亮阻應小于100Ω暗阻大于10MΩ.其作用是白天受光照阻值很小,報警電路不工作.晚上電阻大,可進行報警。如果需要白天和晚上都處于警戒狀態.可去掉RG不用。IC4(NE555)接成無穩態振蕩器模式.調節RP可獲得750~1500Hz報警頻率(按f=1.443/(RP+2R6)·C1估算)。S1為現場報警或無線遠傳報警選擇開關.BL為8Ω/0.5W揚聲器,LED使用紅色頻閃發光二極管。VT2等組成調頻載波振蕩發射電路,L1、C5并聯諧振頻率即為發射頻率,報警信號由1km以外的調頻收音機接收。
在輸電線路A、B、c、D線正常時,光耦合器Ic1~Ic3均導通.其輸出串聯電阻小于100Ω,與RG受光照亮電阻并聯等效電阻小于50Ω,故VT1截止.Ic4④腳強復位端電壓小于1.3V,所以IC4及后續電路不工作。
當晚上輸電線路任何一線被剪斷時.Ic1~Ic3之一截止,其輸出串聯電阻無窮大,又因晚上RG阻值大于10MΩ.所以VT1導通,Ic4④腳被高電平觸發起振,LED產生頻閃,BL發出報警聲.或對VT2調制后將無線電波發送至遠方的調頻收音機接收。


返回頂部
刷新頁面
下到頁底