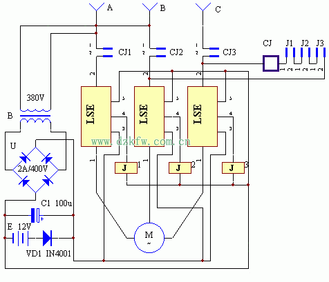
電機缺相保護器裝置的電路工作原理見圖。在A、B、C三相中均串入LSE器件。當三相電力線均完好時,LSE的④腳輸出高電平,此時繼電器J1、J2、J3均處于吸合狀態,從而使三相交流接觸器CJ吸合,其觸點CJ1、CJ2、CJ3自保,電動機M正常工作。如果A、B、C三相電源中有任意一相斷開,將導致其中一只LSE的①、②腳間呈斷開狀態,相應的LSE器件上的④腳就會變為低電平,其繼電器J就會釋放。由于其觸點j1、j2、j3在CJ的回路中呈與門的邏輯關系,故只要其中的任一只觸點斷開,均會導致CJ斷電釋放,從而使得CJ1、CJ2、CJ3觸點全部斷開,保護了電動機M。電路中設置了12V直流電源,是使該電路萬無一失。


返回頂部
刷新頁面
下到頁底