依次為buck,boost,buck-boost,cuk,zeta,sepic變換器
半橋變換器也是雙端變換器,以上是兩種拓撲。
半橋開關管電壓應力為輸入電壓.而且由于另外一個橋臂上的電容,具有抗偏磁能力,但是對于上面一種拓撲,通常還會加隔直電容來提高抗偏磁能力.但是如果采用峰值電流控制,要注意一個問題,就是有可能會導致電容安秒不平衡的問題.要需要其他方法來解決。
半橋變換器可以通過不對稱控制來實現ZVS,也就是兩個管子交替導通,一個占空比為D,另外一個就為1-D.就是所謂的不對稱半橋,通常采用下面一種拓撲.對于不對稱半橋可以采用峰值電流控制。
正激變換器
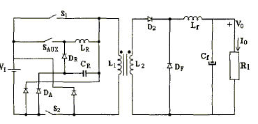
繞組復位正激變換器
LCD復位正激變換器
RCD復位正激變換器
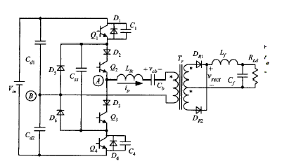
有源鉗位正激變換器
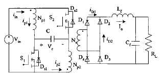
雙管正激
吸收雙正激
有源鉗位雙正激
原邊鉗位雙正激
軟開關雙正激
推挽變換器
無損吸收推挽變換器
推挽正激
推挽變換器:推挽變換器是雙端變換器.其實是兩個正激變換器通過變壓器耦合而來,基本推挽變換器好處是驅動不需隔離,變壓器雙端磁化,只要兩個開關管.但是,變壓器繞組利用率低,開關管電壓應力為輸入兩倍,所以一般只適合低壓輸入的場合.而且有個問題就是會出現偏磁,所以要采用電流型控制等方法來避免.
如果將兩個雙管正激同樣耦合,可以構成四開關管的推挽變換器,也就是所謂的雙雙管正激.其管子電壓應力下降為輸入電壓.其他等同.
推挽正激是最近出現的一種新拓撲,通過一個電容來解決變換器漏感尖峰,偏磁等問題.在VRM中有應用.
半橋變換器也是雙端變換器,以上是兩種拓撲.
半橋開關管電壓應力為輸入電壓.而且由于另外一個橋臂上的電容,具有抗偏磁能力,但是對于上面一種拓撲,通常還會加隔直電容來提高抗偏磁能力.但是如果采用峰值電流控制,要注意一個問題,就是有可能會導致電容安秒不平衡的問題.要需要其他方法來解決.
半橋變換器可以通過不對稱控制來實現ZVS,也就是兩個管子交替導通,一個占空比為D,另外一個就為1-D.就是所謂的不對稱半橋,通常采用下面一種拓撲.對于不對稱半橋可以采用峰值電流控制.
全橋變換器
全橋變換器在大功率場合是最常用了,特別是移項ZVS和ZVZCS 接下去,會收集一些三電平變換器貼出來,在以后就給出boost族的 隔離變換器....反激變換器.....正反激變換器......APFC.....PPFC.... 單級PFC.....諧振變換器等.....
三電平變換器(three level converter)
選了看起來比較舒服的兩個拓撲,這些三電平是半橋演化而來,同樣可以演化出多電平變換器,合適高壓輸入場合.而且可以通過全橋的移相控制方式實現軟開關.


返回頂部
刷新頁面
下到頁底